iPonic - Installing an iDrive Motor Controller for Vent/Shade Control
With the iPonic Controller, you can control an iDrive Motor Controller with a few minor modifications to one of the Relays within the Controllers High Voltage Section.

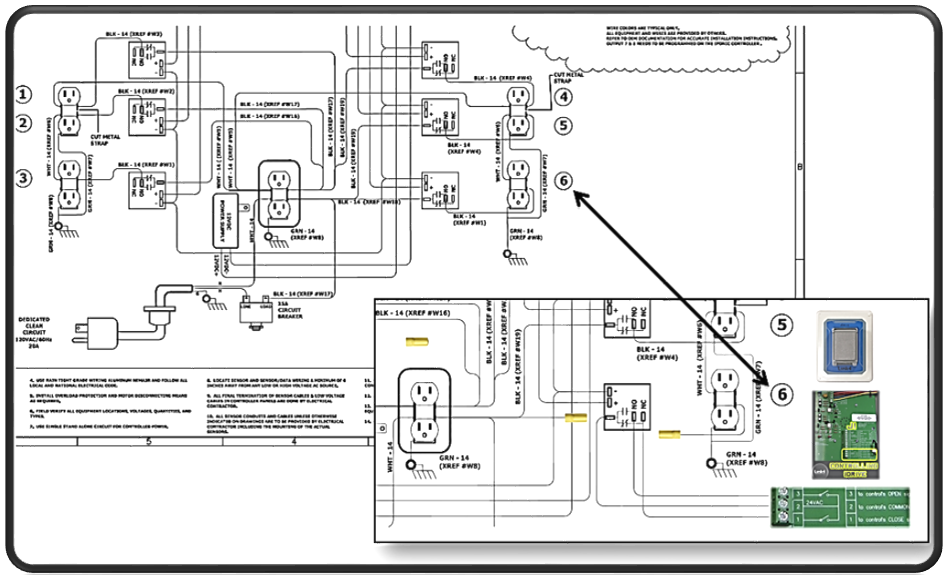
For Example to have Output 6 Control the iDrive Motor Controller you would run your 3 Control wires
Open / Close / 24vac from the iDrive to the iPonic Controller.

Power Down the Controller
On the #6 Relay:Pull existing wires from the N/O Normally Open and N/C Normally Close and Wire Nut.
Then Take your 3 signal wires from iDrive and land them as follows:
Open Signal Wiring on the N/O - Normally Open of Relay
Close Signal Wiring on the N/C - Normally Close of Relay
24VAC thru the COM - Common of Relay
Power Controller back up and button #6 when ON should Open OFF should Close Vent or Shade System.


Related Articles
iDrive Troubleshooting
iDrive (* 1 iDrive per motor*) The iGROW is just dry switching contacts that the iDrive receives. Master into a Slave On the J2 PCB #3  (to 24VAC transformer) remove and INDEPENDENTLY cap off. Slave - Make into a Slave J1 on circut board (9 - 10 ...
iDrive - Linking to 1200/1400/1600/1800 Series Enviormental Controller
Before you Link Your iDrive Motor Controller to the 1000 Series Controller You must make sure that the iDrive Manual Switch Opens and Closes your Vent/Shade Curtain/Louver without any problems, and if limits switches are involved that they are ...
iDrive - 970-0013-XXM Single Phase 3 wire
Attached is wiring information associated with the model number you provided 970-0013-xxM If you’re attaching the iDrive to a Ridder Motor, we do have videos on how to set the Limit Switching Ridder Motors I - Overview & Wiring a Ridder Motor Ridder ...
iDrive 300 Standard PCB - Testing AUTO Control Terminal Points
view the following process in testing your iDrive PCB to see if the Automated function is working properly. when controlling your AC Motor, its good to test the AUTO function to ensure the motor controller is working properly.
iDrive Troubleshooting guide
Please view the information provided and attached to assist you in resolving your iDrive Issues. Please contact us with your findings at (714) 975-9474 or email us at support@link4Corp.com