iGrow1800 - Installing 4 Output Expansion Board

iGrow1800 - Installing 4 Output Expansion Board

The iGrow 1800 Controller gives you the option to add additional 4 Output Expansion Boards for additional outputs you can control.

Here is a video:


To install the 4 Output Expansion, you would need the Expansion board, an RS232 to RS485 Converter Board, and a 24VAC Transformer.

1800_Expansion_Board.png

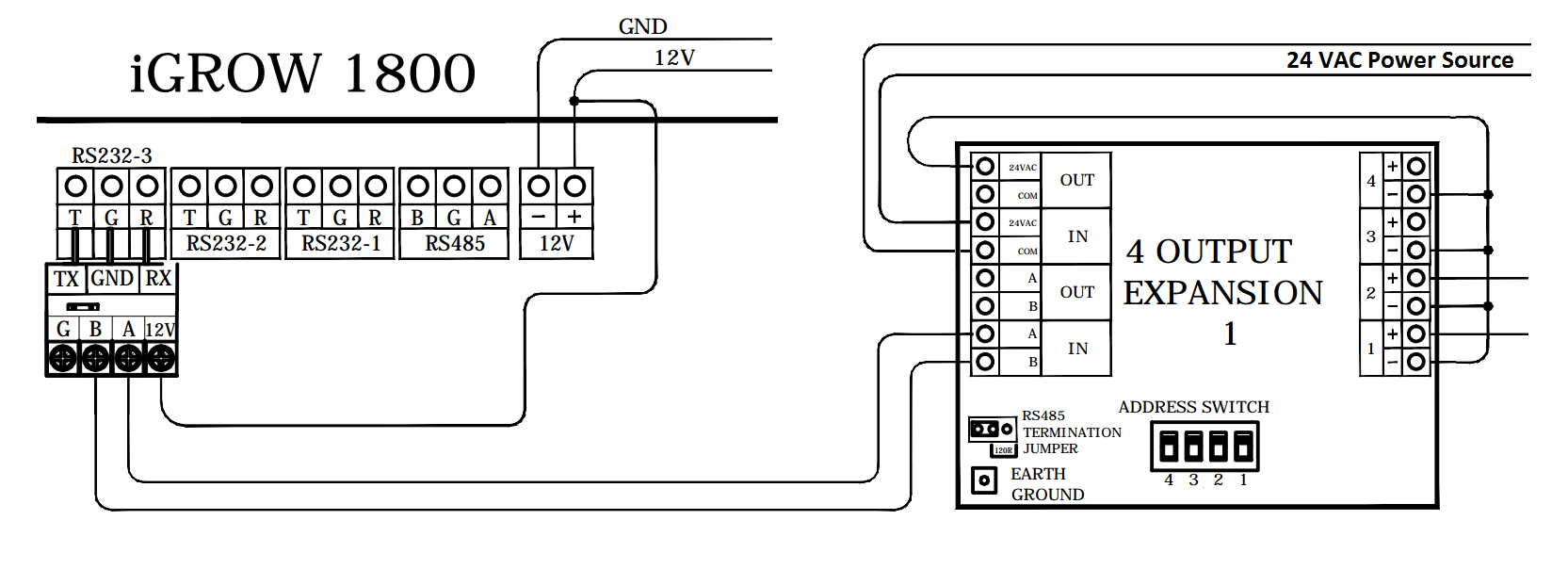
First, you want to power down the iGrow 1800 controller, and then next follow the installation example of this wiring diagram:

1800_to_4_Output_Expansion_Wiring_Diagram.png

If you are adding additional Expansion Boards you would do the following

  • Run Communications - the A & B OUT to the A & B IN
  • Run Power - 24VAC & COM OUT to the 24VAC & COM IN
  • Board Addressing - and change the Addressing on the Board.

1800_Adding_Additional_4_Output_Expansion_tol_existing._Wiring_Diagram.png

Once you have hardwired the Expansion Boards to the controller, its time to enable them within the controllers programming.

ENABLING your Expansion:

To program, simply hit Enter/Menu -> Expansion Settings -> Expansion Setup 

Expansion_Screen.png

On the 1st screen you will need to enable your expansion board, hit (+) to change it from disable to enable then hit next.

Expansion_Screen_2.png

On the following screen, the Highlighted field next to Expansion Board can be changed by hitting (+) or (-).  You want to make the type - 4 Output. and on the next screen, you would assign the channels for the board.

Expansion_Screen_8.png

Please use the following in addressing and how you you would set your dip switching on the board.

1800_Expansion_Board_2.png

Expansion_Screen_Addressing.png

After you have enabled your expansion board(s) you would hit BACK button 3 times to save your changes.

You may want to view the Expansion board Communication LEDs located on the board as well as the RS232 to 485 Converter there should be a blinking LED on that as well, signifying successful communication.

Expansion_Screen_9.png

PROGRAMMING Equipment on Expansion

To program your output, simply hit Enter/Menu -> Program Equipment -> highlight Expansion Channels hit Enter/Menu -> which will bring you to the Expansion Outputs screen.

Expansion_Screen_7.png

 

Here is a view of Expansion Channels with LinkConn 1800 Software which provides a simpler control view.

 Linkconn_Expansion_View.png


    • Related Articles

    • iGrow 800 - Installing the 4 Output Expansion Board

      With the iGrow 800 Controller, you can add additional Expansion Boards for additional outputs control. You can have your expansions Integrated at Factory or you can add the as needed Here is a video on the iGrow 800 Installing the 4 Output Expansion ...
    • iGrow 800 Expansion Board Information

      Please view the following Video Link that will provide much information on the Expansion Board. iGrow 800 with The Expansion Board
    • iGrow 1400 Manual

      Attached, you will find the iGrow 1400 manual.
    • iGrow 1800 User Manual and Training Videos

      Attached is the iGrow 1800 User Manual Also here is a list of video links to assist you in obtaining a General understanding of how to program the iGrow1800 controller.
    • iGrow 1800 - iDoser Nutrient Controller Overview

      The iDoser represents the latest in nutrient control technology. It interfaces the iGrow 1800 for local programming and control and consists of up to eight injectors feeding a manifold where the nutrients and/or acid/base are injected into the water ...